Q941F電動三通法蘭球閥PN16~PN40
四閥座密封三通球閥具有造型美觀、結構緊湊合理,它不僅可實現介質流向的切換,也可使三個通道相互連通,現時也可關閉任一通道,使另外兩個通道連通,靈活控制管路中介質的合流或分流。
產品概述
Q941F電動三通法蘭球閥PN16~PN40是由YXR/Q系列智能式執行機構和三通球閥組成,是一種旋轉類切斷調節閥門,具有關閉嚴密,結構緊湊,重量輕,維修方便等優點。廣泛用于氣體、液體、蒸汽、油品等腐蝕性介質的管道自動化控制中。
兩閥座密封三通球閥具有結構緊湊、外型美觀、密封性能好。它能實現對管道中介質流向的切換。也能使相互垂直的兩個通道連通或關閉。
四閥座密封三通球閥具有造型美觀、結構緊湊合理,它不僅可實現介質流向的切換,也可使三個通道相互連通,現時也可關閉任一通道,使另外兩個通道連通,靈活控制管路中介質的合流或分流。
介質流向原理
三通球閥分L型和T型,介質流通方向見下圖。L型三通球閥適用于介質流向的切換,能使相互垂直的兩個通道連通:T型三通球閥適用于介質的分流、合流或流向切換,T型孔道可以使三個通道互相連通或使其中兩個通道連通,三通球閥一般采用兩個閥座結構,亦可根據用戶要求采用四閥座結構。
執行器參數
電動執行器類型:可選PSQ、3810R、DTR角行程執行機構。防爆型選3810系列。
技術參數和性能:請參閱對應的執行機構和閥門定位器的說明書。
控制精度:0.1%~3.1%可調。
接受控制信號:0~10mA.DC、 4~20mA.DC或1~5V.DCv 按鍵選擇:1、輸入信號中斷時:"中斷"模態(開、停、關)2、正逆動作選擇3、控制精度選擇。
電動裝置全開、全閉位置自動定位標定,方便準確。
按輸入信號和電動裝置位置進行智能步距調整自動定位,抑制振蕩精度高。
輸出電動裝置位置信號:4~20mA.DC對應電動裝置全閉、全開。
性能規范
| 公稱壓力 PN | 常溫最大 工作壓力 | 殼體 試驗壓力 | 氣密封 試驗壓力 | 高壓密封 試驗壓力 |
|---|---|---|---|---|
| 1.6 | 1.6 | 2.4 | 0.6 | 1.76 |
| 2.5 | 2.5 | 3.8 | 0.6 | 2.75 |
| 4.0 | 4.0 | 6.0 | 0.6 | 4.4 |
| C1aSSl50 | 2.0 | 3.0 | 0.6 | 2.2 |
零件材料
| 閥體\閥蓋 | GB | WCB | ZGlCrl8Ni9Ti | ZGOCfl8Nil2M02Ti | |||
|---|---|---|---|---|---|---|---|
| ASTM | WCB | CF8 | CF8M | ||||
| 球體 | GB | 2Cfl3 | 1Cfl8Ni9Ti | 0Cfl8Ni12M02Ti | |||
| ASTM | 420 | 304 | 316 | ||||
| 閥桿 | GB | 2Crl3 | 1Crl8Ni9Ti | 0Crl8Ni12M02Ti | |||
| ASTM | 420 | 304 | 316 | ||||
| 閥座\密封面 | GB | 聚四氟乙烯 | 對位聚苯 | 聚四氟乙烯 | 對位聚苯 | 聚四氟乙烯 | 對位聚苯 |
| ASTM | 聚四氟乙烯 | 對位聚苯 | 聚四氟乙烯 | 對位聚苯 | 聚四氟乙烯 | 對位聚苯 | |
| 填料 | GB | 聚四氟乙烯 | 柔性石墨 | 聚四氟乙烯 | 柔性石墨 | 聚四氟乙烯 | 柔性石墨 |
| ASTM | 聚四氟乙烯 | 柔性石墨 | 聚四氟乙烯 | 柔性石墨 | 聚四氟乙烯 | 柔性石墨 | |
| 螺栓 | GB | 35 | 0Crl8Ni9 | 0Crl8Ni9 | |||
| ASTM | A193B7 | A320-B8 | A320-B8 | ||||
| 螺母 | GB | 45 | 0Cfl8Ni9 | 0Crl8Ni9 | |||
| ASTM | A1942H | A194-8 | A194-8 | ||||
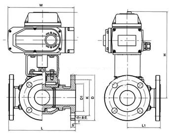
外形結構尺寸
| 公稱壓力 或壓力級 | 公稱通徑 | 尺寸(mm) | |||||||
|---|---|---|---|---|---|---|---|---|---|
| mm | in | L | L1 | D | D1 | D2 | b | z-Φd | |
| PN1.6MPa | 15 | 130 | 65 | 95 | 65 | 45 | 14 | 4-14 | |
| 20 | 150 | 75 | 105 | 75 | 55/58 | 14/16 | 4-14 | ||
| 25 | 160 | 80 | 115 | 85 | 65/68 | 14/16 | 4-14 | ||
| 32 | 180 | 90 | 135/140 | 100 | 78 | 16 | 4-18 | ||
| 40 | 200 | 100 | 145/150 | 110 | 85/88 | 16 | 4-18 | ||
| 50 | 230 | 115 | 160/165 | 125 | 100/102 | 16/18 | 4-18 | ||
| 65 | 290 | 145 | 180/185 | 145 | 120/122 | 18 | 4-18 | ||
| 80 | 310 | 155 | 195/200 | 160 | 135/138 | 20 | 4-18 | ||
| 100 | 350 | 175 | 215/220 | 180 | 155/158 | 20 | 4-18 | ||
| 125 | 400 | 200 | 245/250 | 210 | 185/188 | 22 | 4-18 | ||
| 150 | 480 | 240 | 280/285 | 240 | 210/212 | 24/22 | 8-23/8-22 | ||
| PN2.5MPa | 15 | 130 | 65 | 95 | 65 | 45 | 16 | 4-14 | |
| 20 | 150 | 75 | 105 | 75 | 55/58 | 16 | 4-14 | ||
| 25 | 160 | 80 | 115 | 85 | 65/68 | 16 | 4-14 | ||
| 32 | 180 | 90 | 135/140 | 100 | 78 | 18 | 4-18 | ||
| 40 | 200 | 100 | 145/150 | 110 | 85/88 | 18 | 4-18 | ||
| 50 | 230 | 115 | 160/165 | 125 | 100/102 | 20 | 4-18 | ||
| 65 | 290 | 145 | 180/185 | 145 | 120/122 | 22 | 8-18 | ||
| 80 | 310 | 155 | 195/200 | 160 | 135/138 | 22/24 | 8-18 | ||
| 100 | 350 | 175 | 230/235 | 190 | 160/162 | 24 | 8-23/8-22 | ||
| 125 | 400 | 200 | 270 | 220 | 188 | 28/26 | 8-25/8-26 | ||
| 150 | 480 | 240 | 300 | 250 | 218 | 30/28 | 8-25/8-26 | ||
| PN4.0MPa | 15 | 130 | 65 | 95 | 65 | 45 | 16 | 4-14 | |
| 20 | 150 | 75 | 105 | 75 | 55/58 | 16 | 4-14 | ||
| 25 | 160 | 80 | 115 | 85 | 65/68 | 16 | 4-14 | ||
| 32 | 180 | 90 | 135/140 | 100 | 78 | 18 | 4-18 | ||
| 40 | 200 | 100 | 145/150 | 110 | 85/88 | 18 | 4-18 | ||
| 50 | 230 | 115 | 160/165 | 125 | 100/102 | 20 | 4-18 | ||
| 65 | 290 | 145 | 180/185 | 145 | 120/122 | 22 | 8-18 | ||
| 80 | 310 | 155 | 195/200 | 160 | 135/138 | 22 | 8-18 | ||
| 100 | 350 | 175 | 230/235 | 190 | 160/162 | 24 | 8-23/8-22 | ||
| 125 | 400 | 200 | 270 | 220 | 188 | 28 | 8-25/8-26 | ||
| 150 | 480 | 240 | 300 | 250 | 218 | 30 | 8-25/8-26 | ||
注:1、表中以分數表示者,分子為JB/T74~90系列2尺寸(等同于原機標JB74~90-59的尺寸),分母為JB/T74~90系列1、GB9112~9131(PN1.6、2.5、4.0Mpa)及HGJ44~76尺寸。2、表中以分數表示者,分子為ANSI B16.5尺寸,分母為GB9112~9131、SH3406尺寸。
尺寸圖

安裝注意事項
1.安裝施工必須小心,切忌撞擊閥門。
2.安裝前,應將球閥作一檢查,核對規格型號,鑒定有無損壞,尤其對于閥桿。還要轉動幾下,看是否歪斜,因為運輸過程中,最易撞歪閥桿。還要清除閥內的雜物。
3.球閥起吊時,繩子不要系在手輪或閥桿上,以免損壞這些部件,應該系在閥體上。
4.對于球閥所連接的管路,一定要清掃干凈。可用壓縮空氣吹去氧化鐵屑、泥砂、焊渣和其他雜物。這些雜物,不但容易擦傷球閥的密封面,其中大顆粒雜物(如焊渣),還能堵死小閥門,使其失效。
5.安裝時要留有閥柄旋轉的位置。6.球閥不能用作節流。 7.帶傳動機構的球閥應直立安裝。
|
||||||||||||||||||||||||
![]() |
||||||||||||||||||||||||
| ||||||||||||||||||||||||










