H44Y、H44H型旋啟式法蘭鋼制止回閥
H44Y、H44H型旋啟式法蘭鋼制止回閥PN16~PN25適用于壓力1.6~25MPa, 工作溫度 -29~+550℃ 的石油、化工、制藥、化肥、電力行業等各種工況的管路上,適用介質為水、油品、蒸汽、酸性介質等,防止介質的倒流,屬于一種自動閥門,防止泵及其驅動電機 機反轉,以及容器內介質的泄放。
產品介紹

產品概述
H44Y、H44H型旋啟式法蘭鋼制止回閥PN16~PN25適用于壓力1.6~25MPa, 工作溫度 -29~+550℃ 的石油、化工、制藥、化肥、電力行業等各種工況的管路上,適用介質為水、油品、蒸汽、酸性介質等,防止介質的倒流,屬于一種自動閥門,防止泵及其驅動電機 機反轉,以及容器內介質的泄放。
產品特點
H44Y、H44H型旋啟式法蘭鋼制止回閥PN16~PN25是靠管路中介質本身的流動產生的力而自動開啟和關閉的,屬于一種自動閥門。止回閥用于管路系 統,其主要作用是防止介質倒流、防止泵及其驅動電機機反轉,以及容器內介質的泄放。止回閥還可用于給其中的壓力可能升至超過主系統壓力的輔助系統提供補給 的管路上。
安裝注意事項
止回閥的安裝應注意以下事頂
1、在管線中不要使止回閥承受重量,大型的止回閥應獨立支撐,使之不受管系產生的壓力的影響。
2、安裝時注意介質流動的方向應與閥體所票箭頭方向一致。
3、升降式垂直瓣止回閥應安裝在垂直管道上。
4、升降式水平瓣止回閥應安裝在水平管道上。
產品性能參數
H44Y、H44H型旋啟式法蘭鋼制止回閥PN16~PN25性能參數 | |||
型號 | H44H-16C~250 | H44W-16P~250 | |
工作壓力(MPa) | 1.6~25 | ||
適用溫度(℃) | ≤425 | ≤150 | |
適用介質 | 水、蒸汽、油品 | 弱腐蝕性介質 | |
材料 | 閥體、閥蓋、閥瓣 | 碳素鋼 | 鉻鎳鈦不銹鋼 |
密封面 | 碳鋼堆焊鐵基合金 | 本體密封 | |
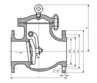
產品外形結構尺寸
H44H、H44Y型旋啟式鋼制止回閥PN16~PN25主要外形和連接尺寸 | |||||||
公稱通徑 DN | 主要外形尺寸和連接尺寸 | ||||||
L | D | D1 | D2 | b | Z-d | H | |
H44H-16C H44W-16C H44W-16P H44W-16R H44W-16I | |||||||
25 | 160 | 115 | 85 | 65 | 16 | 4-14 | 100 |
32 | 180 | 135 | 100 | 78 | 16 | 4-18 | 105 |
40 | 200 | 145 | 100 | 85 | 16 | 4-18 | 115 |
50 | 230 | 160 | 125 | 100 | 16 | 4-18 | 135 |
65 | 290 | 180 | 145 | 120 | 18 | 4-18 | 142 |
80 | 310 | 195 | 160 | 135 | 20 | 8-18 | 165 |
100 | 350 | 215 | 180 | 155 | 20 | 8-18 | 180 |
125 | 400 | 245 | 210 | 185 | 22 | 8-18 | 210 |
150 | 480 | 280 | 240 | 210 | 24 | 8-23 | 233 |
200 | 500 | 335 | 295 | 265 | 26 | 12-23 | 304 |
250 | 550 | 405 | 355 | 320 | 30 | 12-25 | 348 |
300 | 650 | 460 | 410 | 375 | 30 | 12-25 | 390 |
350 | 750 | 520 | 470 | 435 | 34 | 16-25 | 430 |
400 | 850 | 580 | 525 | 485 | 36 | 16-30 | 468 |
H44H-25 H44W-25 H44W-25P H44W-25R H44W-25I | |||||||
25 | 160 | 115 | 85 | 65 | 16 | 4-14 | 100 |
32 | 180 | 135 | 100 | 78 | 16 | 4-18 | 105 |
40 | 200 | 145 | 110 | 85 | 16 | 4-18 | 115 |
50 | 230 | 160 | 125 | 100 | 20 | 4-18 | 160 |
65 | 290 | 180 | 145 | 120 | 22 | 8-18 | 175 |
80 | 310 | 195 | 160 | 135 | 22 | 8-18 | 185 |
100 | 350 | 230 | 190 | 160 | 24 | 8-23 | 220 |
125 | 400 | 270 | 220 | 188 | 28 | 8-25 | 248 |
150 | 480 | 300 | 250 | 218 | 30 | 8-25 | 276 |
200 | 550 | 360 | 310 | 278 | 34 | 12-25 | 350 |
250 | 650 | 425 | 370 | 332 | 36 | 12-30 | 410 |
300 | 750 | 485 | 430 | 390 | 40 | 16-30 | 430 |
350 | 850 | 550 | 490 | 448 | 44 | 16-34 | 518 |
400 | 950 | 610 | 550 | 505 | 48 | 16-34 | 560 |
產品外形尺寸圖

相關新聞
|
||||||||||||||||||||||||
![]() |
||||||||||||||||||||||||
| ||||||||||||||||||||||||









