BFDS108HX 活塞式電動控制閥
安裝于各種送水管道上,用于取代各種電動閘閥和電動蝶閥,不需要電動裝置,節約能源,維護簡單,并能遙控操作,實現泵閥聯動控制。
用途及特點
安裝于各種送水管道上,用于取代各種電動閘閥和電動蝶閥,不需要電動裝置,節約能源,維護簡單,并能遙控操作,實現泵閥聯動控制。
結構及工作原理
由主閥和外控組件構成。主閥由閥體、閥板、閥蓋、閥座及活塞、活塞缸等構成,外控組件由調節閥、過濾器、 電磁閥和連接管件組成,外來信號控制電磁閥開啟,則主閥控制室的壓力水流出,主閥開啟;外來信號控制電磁閥關閉,則主閥進口壓力介質經調節閥、過濾器進入主閥控制室內,使活塞向下運動將主閥門關閉。

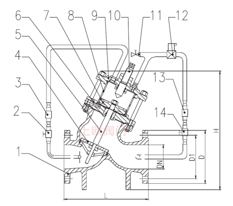
1、閥體2、球閥3、過濾器4、大閥板 5、閥桿6、缸座7、活塞8、活塞缸 9、缸蓋10、標示桿11、球閥12、電磁閥 13、過濾器14、球閥
多功能水力控制閥系列外形及安裝尺寸
DN | L | H | H0 | D | D1 | N-Фd | A | B | C | 重 量 | |||||||||
PN10 | PN16 | PN25 | PN40 | PN10 | PN16 | PN25 | PN40 | PN10 | PN16 | PN25 | PN40 | ||||||||
50 | 230 | 320 | 100 | 165 | 165 | 165 | 165 | 125 | 125 | 125 | 125 | 4-Ф18 | 4-Ф18 | 4-Ф18 | 4-Ф18 | \ | \ | \ | 30 |
65 | 290 | 370 | 110 | 185 | 185 | 185 | 185 | 145 | 145 | 145 | 145 | 4-Ф18 | 4-Ф18 | 4-Ф18 | 4-Ф18 | \ | \ | \ | 35 |
80 | 300 | 400 | 120 | 200 | 200 | 200 | 200 | 160 | 160 | 160 | 160 | 8-Ф18 | 8-Ф18 | 8-Ф18 | 8-Ф18 | \ | \ | \ | 44 |
100 | 350 | 480 | 130 | 220 | 220 | 235 | 235 | 180 | 180 | 190 | 190 | 8-Ф18 | 8-Ф18 | 8-Ф22 | 8-Ф22 | \ | \ | \ | 72 |
125 | 400 | 470 | 150 | 250 | 250 | 270 | 270 | 210 | 210 | 220 | 220 | 8-Ф18 | 8-Ф18 | 8-Ф26 | 8-Ф26 | \ | \ | \ | 60 |
150 | 480 | 620 | 180 | 285 | 285 | 300 | 300 | 240 | 240 | 250 | 250 | 8-Ф22 | 8-Ф22 | 8-Ф26 | 8-Ф26 | \ | \ | \ | 112 |
200 | 500 | 700 | 185 | 340 | 340 | 360 | 375 | 295 | 295 | 310 | 320 | 8-Ф22 | 12-Ф22 | 12-Ф26 | 12-Ф30 | \ | \ | \ | 175 |
250 | 600 | 800 | 235 | 395 | 405 | 425 | 450 | 350 | 355 | 370 | 385 | 12-Ф22 | 12-Ф26 | 12-Ф30 | 12-Ф33 | \ | \ | \ | 262 |
300 | 700 | 840 | 270 | 445 | 460 | 485 | 515 | 400 | 410 | 430 | 450 | 12-Ф22 | 12-Ф26 | 16-Ф30 | 16-Ф33 | \ | \ | \ | 324 |
350 | 800 | 1050 | 300 | 505 | 520 | 555 | 580 | 460 | 470 | 490 | 510 | 16-Ф22 | 16-Ф26 | 16-Ф33 | 16-Ф36 | \ | \ | \ | 488 |
400 | 900 | 1180 | 325 | 565 | 580 | 620 | 660 | 515 | 525 | 550 | 585 | 16-Ф26 | 16-Ф30 | 16-Ф36 | 16-Ф39 | \ | \ | \ | 710 |
450 | 1000 | 1220 | 345 | 615 | 640 | 670 | 685 | 565 | 585 | 600 | 610 | 20-Ф26 | 20-Ф30 | 20-Ф36 | 20-Ф39 | 570 | 350 | 210 | 950 |
500 | 1100 | 1400 | 405 | 670 | 715 | 730 | 755 | 620 | 650 | 660 | 670 | 20-Ф26 | 20-Ф33 | 20-Ф36 | 20-Ф42 | 650 | 400 | 225 | 1060 |
600 | 1300 | 1530 | 440 | 780 | 840 | 845 | 890 | 725 | 770 | 770 | 795 | 20-Ф30 | 20-Ф36 | 20-Ф39 | 20-Ф48 | 850 | 450 | 225 | 1478 |
700 | 1400 | 1800 | 540 | 895 | 910 | 960 | \ | 840 | 840 | 875 | \ | 24-Ф30 | 24-Ф36 | 24-Ф42 | \ | 900 | 650 | 250 | 2015 |
800 | 1500 | 1900 | 550 | 1015 | 1025 | 1085 | \ | 950 | 950 | 990 | \ | 24-Ф33 | 24-Ф39 | 24-Ф48 | \ | 900 | 700 | 300 | 2550 |
900 | 1700 | 2606 | 620 | 1115 | 1125 | 1185 | \ | 1050 | 1050 | 1090 | \ | 28-Ф33 | 28-Ф39 | 28-Ф48 | \ | 900 | 800 | 350 | 3560 |
1000 | 1900 | 2765 | 700 | 1230 | 1255 | 1320 | \ | 1160 | 1170 | 1210 | \ | 28-Ф36 | 28-Ф56 | 28-Ф56 | \ | 1000 | 900 | 450 | 4320 |
|
||||||||||||||||||||||||
![]() |
||||||||||||||||||||||||
| ||||||||||||||||||||||||










