D371J-10蝸輪對夾全襯膠蝶閥
D371J-10蝸輪對夾全襯膠蝶閥是用閥桿一起轉動的蝶板作啟閉件,用以實現閥門的開啟、關閉與調節。襯膠蝶閥內 襯橡膠、閥板外包橡膠,蝶閥在管路中除了起切斷和截流用外,近年來已經把密封性能作為評價的主要指標,受到市場青睞。另外,蝶閥還有體裁積小、重量輕、結 構簡單等優點,與同參數閘閥比較,平均減輕重量達30~50%,蝶板旋轉90度即可實現啟、閉過程,又由于轉軸兩側蝶板受介質作用力近似相等,轉矩相反, 因些啟閉力矩較小。
產品概述
D371J-10蝸輪對夾全襯膠蝶閥是用閥桿一起轉動的蝶板作啟閉件,用以實現閥門的開啟、關閉與調節。襯膠蝶閥內 襯橡膠、閥板外包橡膠,蝶閥在管路中除了起切斷和截流用外,近年來已經把密封性能作為評價的主要指標,受到市場青睞。另外,蝶閥還有體裁積小、重量輕、結 構簡單等優點,與同參數閘閥比較,平均減輕重量達30~50%,蝶板旋轉90度即可實現啟、閉過程,又由于轉軸兩側蝶板受介質作用力近似相等,轉矩相反, 因些啟閉力矩較小。
產品特點
設計與制造:GB12238 結構長度:GB12221(20系列) 法蘭連接尺寸:GB4216
主要密封圈耐溫與適用介質
D371J-10蝸輪對夾全襯膠蝶閥主要密封圈耐溫與適用介質 | ||
密封圈材料代號 | 適用溫度 | 適用介質 |
NR | ≤85℃ | 水、空氣、酸堿類 |
CR | ≤85℃ | 水、煤氣、酸堿類 |
NBR | ≤100℃ | 水、油品 |
EPDM | ≤120℃ | 水、蒸汽、一般酸堿類 |
FKM | ≤150℃ | 水、蒸汽、強酸堿類 |
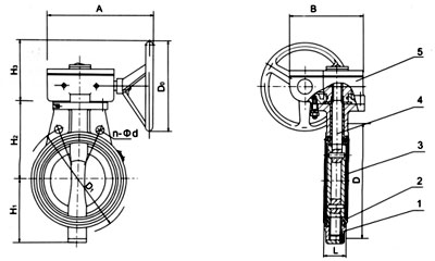
主要零件材料
D371J-10蝸輪對夾全襯膠蝶閥主要零件材料 | ||
1 | 閥體 | 鑄鐵、球墨鑄鐵、碳鋼、不銹鋼 |
2 | 蝶板 | 鑄鐵、球墨鑄鐵、碳鋼、不銹鋼、碳鋼完全包覆橡膠或氟塑料 |
3 | 閥桿 | 碳鋼鍍鎳磷、不銹鋼 |
4 | 閥座密封圈 | 天然膠NR、氯丁膠CR、丁腈膠NBR、三元乙丙膠EPDM、氟橡膠FKM |
5 | 手柄 | 鋁合金、碳鋼 |
試驗標準
壓力等級:PN(MPa) 1.0 1.6
測試: 襯里層:電火花檢測
試驗與檢驗按GB/T13927標準
公稱壓力:PN(MPa) 閥體:PN×1.5
密封:PN×1.1
主要外形連接尺寸

D371J-10蝸輪對夾全襯膠蝶閥主要外形連接尺寸(mm) | |||||||||||||
公稱通徑 DN | 公稱壓力 MPa | 工作壓力 MPa | L | D | D1 | n-Φd | H1 | H2 | Do | H3 | A | B | 質量 |
40 | 1.0 | 1.0 | 33 | 150 | 110 | 4-18 | 55 | 100 | 150 | 62 | 164 | 125 | 6 |
50 | 43 | 165 | 125 | 4-18 | 64 | 120 | 150 | 62 | 164 | 125 | 7 | ||
65 | 46 | 185 | 145 | 4-18 | 80 | 120 | 208 | 62 | 164 | 125 | 10 | ||
80 | 46 | 200 | 160 | 8-18 | 112 | 130 | 260 | 62 | 164 | 125 | 11 | ||
100 | 52 | 220 | 180 | 8-18 | 90 | 140 | 275 | 62 | 164 | 125 | 12 | ||
125 | 56 | 250 | 210 | 8-18 | 112 | 160 | 350 | 106 | 289 | 200 | 18 | ||
150 | 56 | 285 | 240 | 8-22 | 135 | 175 | 350 | 106 | 289 | 200 | 29 | ||
200 | 60 | 340 | 295 | 8-22 | 160 | 210 | 240 | 106 | 289 | 200 | 34.5 | ||
250 | 0.6 | 68 | 395 | 350 | 12-22 | 206 | 235 | 240 | 106 | 289 | 200 | 44 | |
300 | 78 | 445 | 400 | 12-22 | 232 | 273 | 320 | 112 | 370 | 253 | 64.5 | ||
350 | 78 | 505 | 450 | 16-22 | 263 | 310 | 320 | 112 | 370 | 253 | 75.5 | ||
400 | 102 | 565 | 515 | 16-26 | 295 | 340 | 400 | 270 | 562 | 280 | 156 | ||
450 | 114 | 615 | 565 | 20-26 | 327 | 370 | 400 | 270 | 562 | 280 | 171.5 | ||
500 | 127 | 670 | 620 | 20-26 | 358 | 399 | 400 | 270 | 562 | 280 | 206.5 | ||
550 | 0.4 | 140 | 730 | 675 | 20-30 | 384 | 430 | 400 | 270 | 562 | 280 | 215 | |
600 | 154 | 780 | 725 | 20-30 | 474 | 460 | 500 | 270 | 562 | 280 | 283 | ||
700 | 165 | 895 | 840 | 24-30 | 486 | 510 | 500 | 125 | 503 | 443 | 426 | ||
800 | 190 | 1015 | 950 | 24-33 | 591 | 672 | 500 | 200 | 513 | 531 | 550 | ||
900 | 203 | 1115 | 1050 | 28-33 | 500 | 200 | 513 | 531 | 1070 | ||||
1000 | 216 | 1230 | 1160 | 28-36 | 721 | 800 | 550 | 273 | 713 | 815 | 1296 | ||
聲明
本文中所有文字、數據、圖片均只適用于參考,D371J-10蝸輪對夾全襯膠蝶閥性能參數、結構尺寸參數、價格等詳情,請聯系我們
|
||||||||||||||||||||||||
![]() |
||||||||||||||||||||||||
| ||||||||||||||||||||||||










