BFTZ型錐形放散閥
錐形放散閥是我公司吸收國外技術在國內研發與生產的最新產品,通常作為水輪發電機組旁通閥的自由排放閥,或是水電站和水庫的連續排放流量控制閥。具有優異的消能效果,故稱放散閥或消能閥,又由于流道內采用了固錐形體而又得名固定錐形閥,簡稱固定錐閥。錐形放散閥除了在流道終端設置有錐形閥芯之外,所有運動部件全部設置在閥門的過流通道外部,使得閥體內部流道通常順滑,流量大而壓降損耗少,其在整個工作范圍內不會產生氣蝕及振動。
前言
錐形放散閥是我公司吸收國外技術在國內研發與生產的最新產品,通常作為水輪發電機組旁通閥的自由排放閥,或是水電站和水庫的連續排放流量控制閥。具有優異的消能效果,故稱放散閥或消能閥,又由于流道內采用了固錐形體而又得名固定錐形閥,簡稱固定錐閥。錐形放散閥除了在流道終端設置有錐形閥芯之外,所有運動部件全部設置在閥門的過流通道外部,使得閥體內部流道通常順滑,流量大而壓降損耗少,其在整個工作范圍內不會產生氣蝕及振動。在相同流量下,相對傳統形式的水躍消能、挑流消能等形式,具有消能、調節效果好,噪聲小、對下游流道沖刷小等居多優勢。
錐形放散閥本身具有結構簡單、流量系數大、閥門承載動載荷小,可適應于任何水頭,可水平、垂直和傾斜布置,經久耐用等優勢,普遍用作潤輪旁通、水庫排放或持續排放的流量控制,特別是用作下游環保流量的排放及枯水季節對下游河道流量的補充。該閥是水利水電工程現代化的一個重要設備。
錐形放散閥型號編制

型號示例:
BFTZ941YX—P | 不銹鋼材質電動型法蘭連接軟硬雙重密封錐形放散閥 |
BFTZ342YX—10C | 鑄鋼材質手動型法蘭連接軟硬雙重密封錐形放散閥 |
錐形放散閥結構原理
錐形放散閥是一種軸流式調節閥,由閥筒體、導流筋片、錐體、調節套筒和整流罩等主要部件組成。采用不銹鋼制造的調節套筒通過導流筋片安裝在閥體上,執行機構帶動套筒的運行來調節閥門過流面積。

1、閥體 2、調節套筒 3、蝸輪箱 4、萬向節 5、傳動軸 6、齒輪箱 7、手輪 8、導向筋 9、絲桿 10、導流筋 11、O型密封圈 12、錐體 13、密封圈 14、閥座環 15、整流罩

1、閥體 2、蝸輪箱 3、萬向節 4、傳動軸5、齒輪箱 6、電動執行機構 7、絲桿 8、調節套筒9、錐體 10、吊環 11、支架 12、閥座環 13、密封圈14、導流筋 15、O型橡膠圈
主要技朮性能
適應介質 | 清水、污水等中性液體,可適應雜質含量大的介質 |
適應溫度 | -29℃——80℃ |
試驗標準 | 符合GB/T13927標準 閥門強度1.5XPN密封試驗1.1XPN |
法蘭標準 | 鋼制法蘭GB9113.1-4或按客戶要求 |
壓力范圍 | 0.6-1.6MPa |
主要零部件村質
部件名稱 | 材質 | 部件名稱 | 材質 |
閥體/錐體 | 碳素鋼壞繡鋼 | 導向筋面 | 錫青銅 CuAl1ONi5Fe4 |
調節套筒 | 碳素鋼+不銹鋼 | 齒輪箱 | 不繡鋼+碳素鋼 |
O型圈/橡膠圈 | 三元異丙橡膠EPDM | 蝸輪箱 | 不繡鋼+碳素鋼 |
閥座環 | 不繡鋼316+Ni合金 | 支架 | 碳素鋼WCB |
傳動軸/絲桿 | 不誘鋼2Crl3 | 整流罩 | 不繡鋼304 |
錐形放散閥主要技朮特點
1、閥體
閥體為圓筒形設計,并帶一個與上游渠道或管道相聯的法蘭。下游端的金屬錐形閥座環為可浮動結構,以隔離閥體使其變形的應力。閥門前端的錐體通過導流筋片固定于閥體內,調節套筒可在筋片上自由滑動。閥門設有前后兩道密封,防止關閉與運行中的泄漏。其密封結構如下圖:

后密封結構,采用雙重三元異丙橡膠環(EPDM),經久耐用;前密封為軟硬雙重密封結構,軟密封為環面密封形式,有效躲避錐口的高速沖刷,提高使用壽命。密封結構均為可拆卸式,維護更換方便。
2、調節套筒
調節套筒為圓筒形,通過沿軸線方向的直線運動開啟和關閉閥門。在套筒前端的噴口表面采用了硬化處理,可有效適應高流速沖刷。當調節套筒行程結束時接觸閥座環,形成軟硬雙重密封。
3、整流罩
當需要引導排放的水流時,可在固定于閥體前端的錐體上安裝充氣整流罩。整流罩可控制射流的散開不使水花落到閥門上,讓水流集中地泄到下游,并對水流還有部分消能作用。

有整流罩與無整流罩的出流示意(一般情況加有整流罩會略降低閥門流量系數2—3%)
4、驅動裝置
錐形放散閥可按工況要求采用電動、液壓缸驅動或手動等方式。
錐形放散閥工作原理與選型計算方式
1、工作原理
錐形放散閥通過改變調節套筒與錐體之間的過流面積,實現對流量的控制,使閥門在任意開度下自由排放均能將氣蝕和振動控制在最低狀態。錐體通過科學的流體設計,采用 COSMOSWorks結構分析軟件確定閥門應力分布,采用先進的FLUENT流體專用分析軟件進行測試,使過流面的變化與調節套筒的移動形成線性對應關系,實現全行程的良好調節性能。錐體通過多塊流線形肋板固定于閥體上,使該閥與其它常規消能閥相比,顯著降低或消除閥門運行時的汽蝕與振動,并使閥門操作力矩達到最低。閥門關閉時,調節套筒與錐體前端的錐形閥座形成一個金屬對金屬和金屬對橡膠的軟硬雙重密封,保障閥門零泄漏。開閥時,排出的水流形成一個寬的錐角噴射到大氣中,并且被分解成細密的飛沫。如果噴射流形狀需要控制,在閥門出口端可添加一個充氣整流罩,不但允許空氣混合到水中防止管壁真空的產生,而且還能形成集中的水流形狀。

2、選型計算方式
閥門口徑可依據所需流量求得,其流量計算公式如下:

Q=流量(m3/s)
Cv=流量系數(該閥水力條件好,具有較其它閥門高的流量系數,其Cv =0.75 ~ 0.86 ) G=9.81(m/s2)
H=錐形放散閥前相對閥體軸心的總水頭(m)
A=錐閥通徑截面積(m2 )
自控型流量調節方法
該閥可根據用戶及場地要求,采用手動、電動、液動與氣動操作機構。除手動型外,其他驅動形式,可采用以下控制方式:
1、流量計輸出4-20mA直流信號,標定對應最小流量值和最大流量值。
2、將流量計輸出反饋信號送入PLC處理,經PLC預設值比較后輸出相應控制信號給調節執行機構,并驅動閥門運轉至對應位置(閥門開度)。
3、由PLC負責開度預定、反饋信號比較及控制,輸出工作。調節執行機構負責按PLC指令驅動閥門達到指定位置,控制精度由PLC設定,此方法為閉環控制,穩疋可靠

錐形放散閥閥門安裝方式
錐形放散閥的布置與樞紐建筑物有密切關系,必須科學安排謹慎施工。設計布置時,需要考慮系統迎風與背風,出流角度為仰射與俯沖、出流形式為面流或淹沒等要素。如果布置不恰當,將引起因閥門開啟特別是小開度時產生的射流對周邊建筑物及下游河床的沖刷,以及其運行時形成的水霧產生對電站設備與閥門本身部件帶來影響。閥門安裝必須規范,消減閥門放水時對系統引起的震動。建議根據地貌和實際情況,主要從出口方式、安裝方式和發散方式三個方面入手,合理安排錐形閥的布置。

1、出□方式的選擇:
⑴淹沒式:適合水頭較低的溝渠等灌溉或飲用水系統,出口四周都為寬闊平坦,以沙石地形為主;
⑵噴射式:適合水頭較高、陡峭山體場合;
2、安裝方式的選擇:
(1)水平安裝:適合于消能池較薄弱、但場地寬廣、周圍無建筑物;
(2)垂直安裝:適合場地狹小或近距離建筑物較多。
(3)可選角度安裝:通常介于水平安裝與垂直安裝之間。
3、發散形式選擇:

(1) 普通型(自由發散型):在空氣中自由發散,根據水頭大小形成不同 范圍的發散區域;
(2) 帶整流罩型(限制發散型):利用導流罩有效控制錐形閥的出口發散程度:都用于水頭高,出口狹小,涉及建筑物或其他設施等;如圖所示,用戶應根據設計消能池或泄洪渠的具體尺寸選擇合適的導流罩,具體如圖所示,a、 b為導流罩的夾角延長線,L為消能池或泄洪渠的寬度,H為導流罩夾角頂部到消能池或泄洪渠表面的高度,按等邊三角形原理計算該選用的導流罩角度。
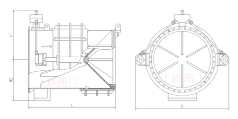
閥門外形尺寸

DN | 200 | 300 | 400 | 450 | 500 | 600 | 700 | 900 | 1000 | 1100 | 1200 | 1300 | 1400 | 1500 | 1600 | 1800 | 2000 |
L | 570 | 720 | 940 | 980 | 1120 | 1240 | 1350 | 1600 | 1780 | 1900 | 2100 | 2250 | 2350 | 2400 | 2560 | 2800 | 2900 |
HI | 280 | 320 | 480 | 500 | 540 | 580 | 680 | 740 | 860 | 950 | 1020 | 1100 | 1200 | 1350 | 1420 | 1500 | 1820 |
H2 | 220 | 300 | 380 | 420 | 450 | 480 | 510 | 600 | 720 | 780 | 840 | 890 | 920 | 1030 | 1150 | 1240 | 1450 |
D | 450 | 600 | 1000 | 1000 | 1160 | 1250 | 1400 | 1600 | 1900 | 2200 | 2300 | 2580 | 2580 | 2700 | 2780 | 2820 | 3100 |
重量Kg | 380 | 410 | 490 | 520 | 580 | 950 | 1150 | 1750 | 2000 | 2500 | 3600 | 4400 | 5100 | 5900 | 6700 | 8900 | 9900 |

閥門應用現場(不帶導流罩型),一道美麗的景觀 帶導流罩型
相關新聞
|
||||||||||||||||||||||||
![]() |
||||||||||||||||||||||||
| ||||||||||||||||||||||||









